首页
关于我们
产品中心
新闻资讯
联系我们
电子样本
首页
关于我们
产品中心
新闻资讯
联系我们
电子样本
Product Center
产品中心
产品中心—
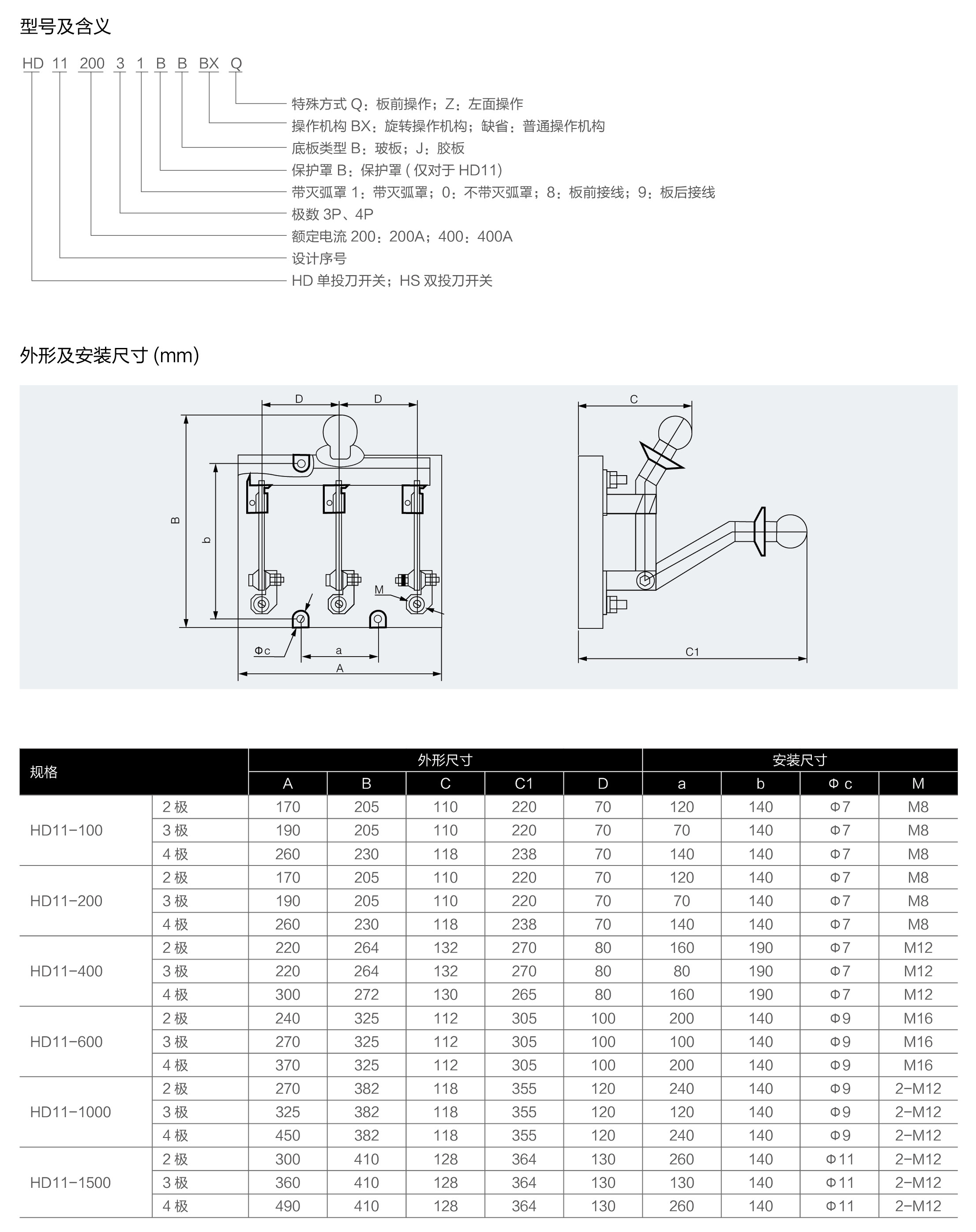
HD11系列刀开关
产品图片
产品概述
COPYRIGHT © 2019 杭州三开电气有限公司 ALL RIGHTS RESERVED
浙ICP备2024096623号
技术支持:鼎岳传媒